Дисплей TFT LCD 2.01 240*296 JD9853, SPI, IPS
Дисплей TFT LCD 2.01 240*296 JD9853, SPI, IPS предназначен для отображения полноцветной графической и текстовой информации в портативных устройствах с ограниченным пространством. Построен на базе контроллера JD9853, интегрированного непосредственно в стекло (Chip-On-Glass), что обеспечивает компактность и надежность .
Описание интерфейса:
Модуль поддерживает стандартный 4-проводной последовательный интерфейс (SPI).
Управление осуществляется через следующие сигналы:
CSX: Chip Select (выбор чипа)
SCL: Serial Clock (тактирование)
MOSI/SDA: Data Input (входные данные)
DCX: Data/Command Control (выбор данных/команды)
RESX: Hardware Reset (аппаратный сброс)
Для подключения впаяна линейка пинов, 8 колнтактов с шагом 2,54 мм.
Поддерживается как 8-битный, так и 16-битный режим передачи данных по SPI .
Электрические характеристики:
Напряжение питания логики (VCC): 2.8В (типовое)
Напряжение питания подсветки (LED+): 3.3В
Ток подсветки: 80 мА (типовой)
Оптические характеристики:
Режим отображения: Normally Black (нормально черный)
Средняя яркость (с подсветкой): 550 кд/м²
Контрастность: 900:1 (типовая)
Цветопередача: 16.7M (24 бит)
Направление оптимального обзора: IPS (все направления)
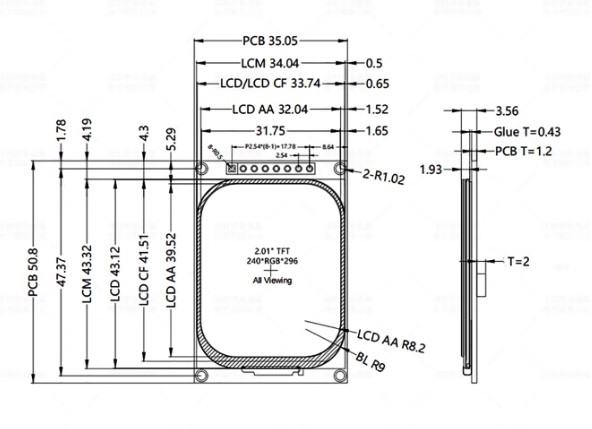
Габаритные характеристики:

Каталог товаров 









































Корзина
Оформить заказ 

