Жало для паяльника Quicko, T12-KF
Жало для паяльника Quicko, T12-KF.
:Жало T12 используются в паяльных станциях 950, 951, 952 и 652 серии.
Долговечность: 30-50 тыс. паек.
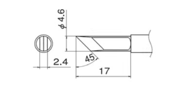
Удлиненная форма «нож» (тип KF): Главная особенность T12-KF — это ножевидная форма жала (также известная как «knife»), которое имеет плоский скос на конце. Благодаря увеличенной длине рабочей части (17 мм) и ширине наконечника 4,6 мм, это жало обеспечивает хороший баланс между доступом к месту пайки и теплопередачей .
Плоскостью ножа можно прогревать и паять многоконтактные микросхемы (например, методом протяжки).
Ребром ножа удобно работать с мелкими SMD-компонентами или исправлять дефекты пайки.
Кончиком жала можно выполнять точечную пайку отдельных выводов.
Внимание ! Для очистки от окислов и лужения не затачивается. Очищается с помощью специальной целлюлозной губки или другим подобным способом.


Корзина
Оформить заказ

