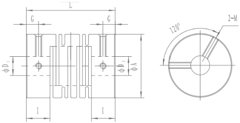
Муфта соединительная D19 L25, 6*6.35mm
Артикул: 4686
Соединительные муфты используются для соединения между собой двух подвижных валов, что позволяет передавать крутящий момент от одного вала к другому. К примеру, для соединения вала шагового двигателя с валом ШВП в станке с ЧПУ, для передачи крутящего момента от двигателя к ШВП.
Диаметр отверстий под вал 6*6.35 мм
Длина 25 мм
Наружный диаметр 19 мм.
Материал - алюминий

Каталог товаров 









































Корзина
Оформить заказ 

