Понижающий преобразователь DC-DC на XL4015 5A
Артикул: 3741
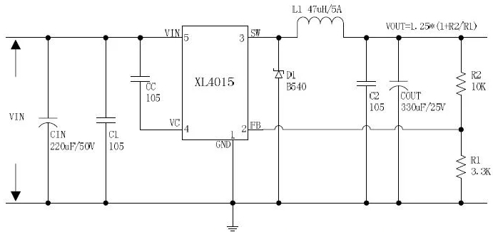
XL4015 - это старая добрая LM2596 на стероидах. Главное её отличие - ключ на MOSFET, а не на биполярнике. Отсюда повышенный ток и пониженное тепловыделение.
Входное напряжение: 4-38 вольт.
Выходное напряжение: 1.25-36 вольт (настраивается).
Максимальный ток: 5 ампера.
КПД: до 96%.
Размер: 53мм X 24мм Х 20мм.
ВНИМАНИЕ! Входное напряжение должно превышать выходное минимум на 1 вольт!

Каталог товаров 









































Корзина
Оформить заказ 

